МЕЖГОСУДАРСТВЕННЫЙ СТАНДАРТ
ГАЙКИ С ТРАПЕЦЕИДАЛЬНОЙ РЕЗЬБОЙ ШЕСТИГРАННЫЕ С БУРТИКОМ
КОНСТРУКЦИЯ
ИПК ИЗДАТЕЛЬСТВО СТАНДАРТОВ
Москва
МЕЖГОСУДАРСТВЕННЫЙ СТАНДАРТ
|
ГАЙКИ С ТРАПЕЦЕИДАЛЬНОЙ РЕЗЬБОЙ ШЕСТИГРАННЫЕ С БУРТИКОМ Конструкция Nuts, hexagonal with bead and acme thread. Design |
ГОСТ 12462-67* Взамен MH 5435-64 |
Утвержден Комитетом стандартов, мер и измерительных приборов при Совете Министров СССР 3 января 1967г.
Дата введения установлена
01.07.67
Постановлением Госстандарта СССР от 17.03.88 № 567 снято ограничение срока действия
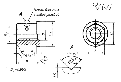
1. Конструкция и размеры шестигранных гаек с буртиком и трапецеидальной резьбой должны соответствовать чертежу и таблице.

Размеры в мм
|
Обозначения гаек |
Применяемость |
d* |
S (поле допуска h13) |
H
|
D
|
D1 |
h |
Масса, кг |
|
|
1-й ряд |
2-й ряд |
||||||||
|
7003-0191 |
|
Тr 10 × 2 |
|
17 |
16 |
19,6 |
21 |
3 |
0,026 |
|
0192 |
|
Тr 10 × 2 LH |
|
||||||
|
7003-0193 |
|
Тr 12 × 3 |
|
19 |
20 |
21,9 |
24 |
3 |
0,040 |
|
0194 |
|
Тr 12 × 3 LH |
|
||||||
|
0195 |
|
Тr 16 × 4 |
|
24 |
25 |
27,7 |
30 |
4 |
0,074 |
|
0196 |
|
Тr 16 × 4 LH |
|
||||||
|
0197 |
|
Тr 20 × 4 |
|
30 |
32 |
34,6 |
38 |
5 |
0,146 |
|
0198 |
|
Тr 20 × 4 LH |
|
||||||
|
0199 |
|
|
Тr 24 × 5 |
36 |
36 |
41,6 |
45 |
0,228 |
|
|
0200 |
|
|
Тr 24 × 5 LH |
||||||
|
0201 |
|
Тr 26 × 5 |
|
41 |
40 |
47,3 |
52 |
0,339 |
|
|
0202 |
|
Тr 26 × 5 LH |
|
6 |
0,362 |
||||
|
0203 |
|
|
Тr 28 × 5 |
42 |
|||||
|
0204 |
|
|
Тr 28 × 5 LH |
||||||
|
0205 |
|
Тr 30 × 6 |
|
46 |
45 |
53,1 |
55 |
0,496 |
|
|
0206 |
|
Тr 30 × 6 LH |
|
||||||
|
0207 |
|
Тr 32 × 6 |
|
50 |
50 |
57,7 |
63 |
0,635 |
|
|
0208 |
|
Тr 32 × 6 LH |
|
||||||
|
0209 |
|
Тr 36 × 6 |
|
55 |
55 |
63,5 |
65 |
7 |
0,801 |
|
0210 |
|
Тr 36 × 6 LH |
|
||||||
|
0211 |
|
Тr 40 × 6 |
|
60 |
60 |
69,5 |
70 |
1,001 |
|
|
7003-0212 |
|
Тr 40 × 6 LH |
|
||||||
* При выборе размера d 1-й ряд следует предпочитать 2-му.
Пример условного обозначения шестигранной гайки с буртиком и трапецеидальной резьбой размером d = Тr 10 × 2:
Гайка 7003-0191 ГОСТ 12462-67
(Измененная редакция, Изм. № 2).
2. Материал - сталь марки 40Х по ГОСТ 4543-71. Допускается замена на стали других марок с механическими свойствами не ниже, чем у стали марки 40Х.
3. Твердость - 35,0 ... 39,5 HRCэ.
(Измененная редакция, Изм. № 1, 2).
4. Неуказанные предельные отклонения размеров:![]()
![]()
(Измененная редакция, Изм. № 2).
5. Резьба трапецеидальная - по ГОСТ 24737-81. Поле допуска резьбы - 8Н по ГОСТ 9562-81.
(Измененная редакция, Изм. № 1, 2).
6. Размеры проточек и резьбы - по ГОСТ 10549-80
(Измененная редакция, Изм. № 1).
7. (Исключен, Изм. № 1).
8. Покрытие - Хим. Окс. прм (обозначение покрытия - по ГОСТ 9.306-85).
(Измененная редакция, Изм. № 2).
9. Остальные технические требования - по ГОСТ 1759.0-87, ГОСТ 1759.1-82, ГОСТ 1759.3-83, ГОСТ 1759.5-87.
10. Упаковка и маркировка - по ГОСТ 18160-72.
(Измененная редакция, Изм. № 1).