ГОСТ 8462-85
Группа Ж19
ГОСУДАРСТВЕННЫЙ СТАНДАРТ СОЮЗА ССР
МАТЕРИАЛЫ СТЕНОВЫЕ
Методы определения пределов
прочности при сжатии и изгибе
Wall materials. Methods for determination of
ultimate compressive and bending strength
ОКСТУ 5741
Дата введения 1985-07-01
УТВЕРЖДЕН И ВВЕДЕН В ДЕЙСТВИЕ постановлением Государственного комитета СССР по делам строительства от 18 января 1985 г. № 11
ВЗАМЕН ГОСТ 8462-75
ПЕРЕИЗДАНИЕ. Июль 1987 г.
Настоящий стандарт распространяется на стеновые материалы и устанавливает методы определения предела прочности при сжатии керамического, силикатного кирпича и камней, стеновых камней бетонных и из горных пород, стеновых блоков из природного камня и предела прочности при изгибе керамического и силикатного кирпича.
1. АППАРАТУРА И МАТЕРИАЛЫ
1.1. Пресс гидравлический по ГОСТ 8905-82.
1.2. Линейка измерительная металлическая по ГОСТ 427-75.
1.3. Линейка поверочная по ГОСТ 8026-75.
1.4. Штангенциркуль по ГОСТ 166-80.
1.5. Щуп по ГОСТ 882-75.
1.6. Сито с сеткой 1,25К по ГОСТ 6613-86.
1.7. Пластина металлическая или стеклянная размерами 270 х 150 х 5 мм. Отклонение от плоскостности пластин не должно превышать 0,1 мм.
1.8. Войлок технический толщиной 5-10 мм по ГОСТ 288-72.
1.9. Пластина резинотканевая толщиной 5-10 мм по ГОСТ 7338-77.
1.10. Картон толщиной 3-5 мм по нормативно-технической документации, утвержденной в установленном порядке.
1.11. Бумага оберточная по ГОСТ 8273-75.
1.12. Вода по ГОСТ 23732-85.
1.13. Песок кварцевый по ГОСТ 8736-85.
1.14. Портландцемент, портландцемент с минеральными добавками, шлакопортландцемент марки 400 по ГОСТ 10178-76.
1.15. Гипсовое вяжущее марки Г-16 по ГОСТ 125-79.
2. ПОДГОТОВКА К ИСПЫТАНИЮ
2.1. Образцы для испытания отбирают от партии. Размер партии и число образцов, подлежащих испытанию для определения пределов прочности при сжатии и изгибе, устанавливают нормативно-технической документацией на соответствующие виды стеновых материалов, утвержденной в установленном порядке.
2.2. Образцы, отобранные во влажном состоянии, перед испытанием выдерживают не менее 3 сут в закрытом помещении при температуре (20 + 5) °С или подсушивают в течение 4 ч при температуре (105± 5) °С. Образцы, содержащие гипс, сушат в течение 8 ч при температуре, не превышающей 50 °С.
2.3. Кирпич, камни и блоки, отобранные для испытания, по внешнему виду и размерам должны удовлетворять требованиям нормативно-технической документации на эти материалы, утвержденной в установленном порядке.
2.4. Предел прочности при сжатии кирпича определяют на образцах, состоящих из двух целых кирпичей или из двух его половинок, а предел прочности при сжатии камней определяют на целом камне. Кирпич делят на половинки распиливанием или раскалыванием в соответствии со схемой, приведенной в рекомендуемом приложении 1.
Допускается определять предел прочности при сжатии на половинках кирпича, полученных после испытания его на изгиб.
Кирпичи или его половинки укладывают постелями друг на друга. Половинки размещают поверхностями раздела в противоположные стороны.
2.5. При подготовке образцов выравниванию подлежат поверхности, которые в конструкции располагаются перпендикулярно направлению сжимающей нагрузки.
2.6. Образцы из керамического кирпича и камня пластического формования изготавливают, соединяя части образца и выравнивая их опорные поверхности цементным раствором в соответствии с обязательным приложением 2.
Образцы из силикатного кирпича и камня и керамического кирпича полусухого прессования испытывают насухо, не производя выравнивания их поверхностей цементным раствором.
2.7. Предел прочности при сжатии бетонных камней определяют на целом камне. Опорные поверхности образцов выравнивают цементным раствором, если их отклонение от плоскостности превышает 0,3 мм.
2.8. Предел прочности при сжатии камней из горных пород и блоков из природного камня определяют на образцах, размеры которых указаны в нормативно-технической документации на эти виды стеновых материалов, утвержденной в установленном порядке. Опорные поверхности образцов выравнивают шлифованием или цементным раствором. Отклонение от плоскостности шлифованных поверхностей образцов не должно превышать 0,1 мм.
2.9. Допускается при определении предела прочности при сжатии керамического кирпича и камней пластического формования изготавливать образцы, выравнивая их опорные поверхности шлифованием, гипсовым раствором или применяя прокладки из технического войлока, резинотканевых пластин, картона и других материалов.
Образцы, изготовленные с применением гипсового раствора, испытывают не ранее чем через 2 ч после начала схватывания. Толщина слоя раствора должна быть не более 5 мм, водогипсовое отношение 0,32 - 0,35.
В случае проверки потребителем, а также при арбитражных проверках образцы для определения предела прочности при сжатии кирпича и камней пластического формования изготовляют в соответствии с п. 2.6.
2.10. Предел прочности при изгибе керамического и силикатного кирпича определяют на целом кирпиче.
В местах опирания и приложения нагрузки поверхность кирпича пластического формования выравнивают цементным или гипсовым раствором, шлифованием или применяют прокладки по п. 2.9. Кирпич с несквозными пустотами устанавливают на опорах так, чтобы пустоты располагались в растянутой зоне образца.
Силикатный кирпич и керамический кирпич полусухого прессования испытывают на изгиб без применения растворов и прокладок.
3. ПРОВЕДЕНИЕ ИСПЫТАНИЙ
3.1. Образцы измеряют с погрешностью до 1 мм. Каждый линейный размер образца вычисляют как среднее арифметическое значение результатов измерений двух средних линий противолежащих поверхностей образца.
Диаметр цилиндра вычисляют как среднее арифметическое значение результатов четырех измерений: в каждом торце по двум взаимно перпендикулярным направлениям.
3.2. Испытание образцов на сжатие
На боковые поверхности образца наносят вертикальные осевые линии. Образец устанавливают в центре плиты пресса, совмещая геометрические оси образца и плиты, и прижимают верхней плитой пресса.
Нагрузка на образец должна возрастать непрерывно и равномерно со скоростью, обеспечивающей его разрушение через 20 - 60 с после начала испытания.
3.2.1.
Предел прочности при сжатии
,
МПа (кгс/
),
образца вычисляют по формуле
![]()
|
|
|
|
|
где Р
F
|
-
- |
наибольшая нагрузка, установленная при испытании образца, МН (кгс);
площадь
поперечного сечения образца, вычисляемая
как среднее арифметическое значение
площадей верхней и нижней его
поверхностей,
|
При вычислении предела прочности при сжатии образцов из двух целых кирпичей толщиной 88 мм или из двух их половинок результаты испытаний умножают на коэффициент 1,2.
При вычислении пределов прочности при сжатии образцов-кубов и образцов-цилиндров из природного камня результаты испытаний умножают на коэффициент, указанный в таблице.
|
|
|
|
|
|
|
|
Размер ребра куба или диаметра d и высоты h |
Коэффициент для
|
|
|
|
|
цилиндра (d = h), мм
|
кубов
|
цилиндров
|
|
|
|
200 150 100 70 от 40 до 50
|
1,05 1,00 0,95 0,85 0,75
|
- 1,05 1,02 0,91 0,81
|
|
При вычислении предела прочности при сжатии образцов из керамического кирпича и камней пластического формования, изготовленных по п. 2.9, результаты испытаний умножают на коэффициент, вычисленный в соответствии с обязательным приложением 3.
Предел
прочности при сжатии образцов
в партии вычисляют с
точностью до 0,1 МПа (1 кгс/
)
как среднее арифметическое значение
результатов испытаний установленного
числа образцов.
3.3. Испытание образцов на изгиб
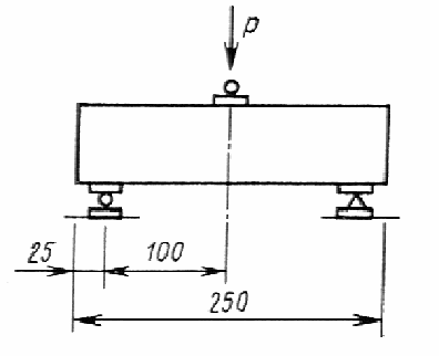
Образец устанавливают на двух опорах пресса. Нагрузку прикладывают в середине пролета и равномерно распределяют по ширине образца согласно чертежу. Нагрузка на образец должна возрастать непрерывно со скоростью, обеспечивающей его разрушение через 20 - 60 с после начала испытаний.
Схема испытания кирпича на изгиб

3.3.1.
Предел прочности при изгибе
,
МПа (кгс/
),
образца вычисляют по формуле
|
|
|
|
|
|
|
|
где Р |
- |
наибольшая нагрузка, установленная при испытании образца, МН (кгс); |
|
|
|
|
-
|
расстояние между осями опор, м (см);
|
|
|
|
b |
- |
ширина образца, м (см);
|
|
|
|
h
|
-
|
высота образца посередине пролета без выравнивающего слоя, м (см).
|
|
Предел
прочности при изгибе образцов
в партии вычисляют
с точностью до 0,05
МПа (0,5 кгс/
)
как среднее арифметическое значение
результатов испытаний установленного
числа образцов.
При вычислении предела прочности при изгибе образцов в партии не учитывают образцы, пределы прочности которых имеют отклонение от среднего значения предела прочности всех образцов более чем 50% и не более чем по одному образцу в каждую сторону.
Приложение 1
Рекомендуемое
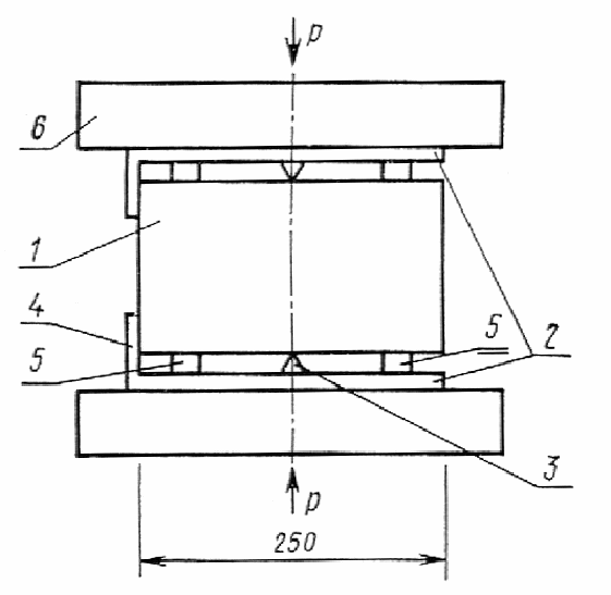
Схема раскалывания кирпича в прессе

1 - образец; 2 - основание; 3 - металлический нож;
4 - упор; 5 - резиновые прокладки; 6 - плита пресса
Приложение 2
Обязательное
Изготовление образцов из керамического кирпича и камня
пластического формования для определения предела прочности
при сжатии
Образцы из двух кирпичей или двух половинок кирпича изготавливают в следующей последовательности.
Приготавливают раствор из равных по массе частей цемента марки 400 и песка, просеянного через сито с сеткой № 1,25 (В/Ц = 0,40 - 0,42). Кирпичи или его половинки полностью погружают в воду на 1 мин. Затем на горизонтально установленную пластину укладывают лист бумаги, слой раствора толщиной не более 5 мм и первый кирпич или его половинку, затем опять слой раствора и второй кирпич или его половинку.
Излишки раствора удаляют, а края бумаги загибают на боковые поверхности образца. В таком положении образец выдерживают 30 мин.
Затем образец переворачивают и в таком же порядке выравнивают другую опорную поверхность образца.
Отклонение от параллельности выравненных опорных поверхностей образца, определяемое по максимальной разности любых двух его высот, не должно превышать 2 мм.
Образец из камня изготавливают в той же последовательности, выравнивая опорные поверхности.
Образец выдерживают 3 сут в помещении при температуре (20±5) °С и относительной влажности воздуха 60 - 80%.
Приложение 3
Обязательное
Определение коэффициента перехода от предела
прочности при сжатии образцов, изготовленных
в соответствии с п.2.9. настоящего стандарта,
к пределу прочности при сжатии образцов, изготовленных
в соответствии с п.2.6 настоящего стандарта
Для определения коэффициента испытывают образцы, отобранные от десяти партий кирпича или камней пластического формования. От каждой партии испытывают 5 образцов, изготовленных в соответствии с п. 2.6, и столько же образцов, изготовленных в соответствии с п.2.9.
Коэффициент К вычисляют по формуле
![]()
|
|
|
|
|
где |
-
|
предел
прочности при сжатии образцов,
отобранных от десяти партий кирпича
или камней и изготовленных в соответствии
с п. 2.6, вычисленный как среднее
арифметическое значение результатов
испытаний 50 образцов, МПа (кгс/
|
|
|
-
|
предел
прочности при сжатии образцов,
отобранных от десяти партий кирпича
или камней и изготовленных в соответствии
с п. 2.9, вычисленный как среднее
арифметическое значение результатов
испытаний 50 образцов, МПа (кгс/
|
Коэффициент определяют при изменении технологии, но не реже одного раза в год.
Текст документа сверен по:
официальное издание
Госстрой СССР - М.: Издательство
стандартов, 1987
Предоставлено компанией МГК "Информпроект".